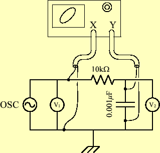
- 表1の機器を図3のよ
うに接続する.
- 発振器の周波数を100[Hz]の正弦波にする.
- 発振器の出力電圧(実効値)が
1[V]になるように,デジタルマルチメーターを見
ながら調整する.
- オシロスコープのリサジュー図形を適当な大きさに調整し,図
5のx,Xあるいはy,Yをカーソル機能によって測定し,位相
角
を次式
 |
(7) |
から求める.
- 同時にデジタルマルチメーターの電圧
を記録する.そして,利得
を
[dB] |
(8) |
から算出する.
- 以上の測定を次に周波数[HZ]について繰り返す.
200, 400, 600, 800, 1k, 1.5k, 2k, 3k, 4k, 5k, 6k, 7k, 8k, 9k,
10k, 20k, 40k, 60k, 80k, 100k, 200k
注意
- 低い周波数領域での微分回路の実験では,リサジュー図形の
と
,あるいは
と
の区別がつかない(ほとんど同じ).そのため,2[kHz]以下の位相角の測
定は省く.
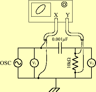
- 表1の機器を図4のよ
うに接続する.
- 発振器の周波数を100[Hz]の正弦波にする.
- 発振器の出力電圧(実効値)が
1[V]になるように,デジタルマルチメーターを見
ながら調整する.
- オシロスコープのリサジュー図形を適当な大きさに調整し,図
5のx,Xあるいはy,Yをカーソル機能によって測定し,位相
角
を次式
 |
(9) |
から求める.
- 同時にデジタルマルチメーターの電圧
を記録する.そして,利得
を
[dB] |
(10) |
から算出する.
- 以上の測定を次に周波数[HZ]について繰り返す.
500, 1k, 2k, 4k, 6k, 8k, 10k, 12k, 14k, 16k, 18k, 20k, 30k,
40k, 50k, 60k, 80k, 100k, 200k
[注意]
- 高い周波数領域での積分回路の実験では,リサジュー図形の
と
,あるいは
と
の区別がつかない(ほとんど同じ).そのため,80[kHz]以上の位相角の測
定は省く.
表 1:
実験に使う機器
| 装置 |
メーカー |
型番 |
台数 |
| CR回路実験実習回路 |
|
|
|
| オシロスコープ |
KENWOOD |
CS-5370 |
1 |
| ファンクションジェネレーター |
KENWOOD |
FG-273 |
1 |
| デジタルマルチメーター |
YEW |
Type 2807 |
2 |
- 図6のように接続して,実験の回路を作成する.
- 回路のパラメーターを表2のように変化させて,
電源の波形と抵抗の両端(微分回路)の波形を観測する.抵抗両端の波形を記録すること.
- 図7のように接続して,実験の回路を作成する.
- 回路のパラメーターを表2のように変化させて,
電源の波形とコンデンサーの両端(積分回路)の波形を観測する.コンデンサー両
端の波形を記録すること.
表 2:
CR回路の時間応答
| 波形 |
繰り返し周波数 [Hz] |
抵抗 [ ] |
コンデンサー [ F] |
| 正弦波 三角波 矩形波 |
1k |
10k |
0.001 |
| 正弦波 三角波 矩形波 |
1k |
10k |
0.01 |
| 正弦波 三角波 矩形波 |
1k |
10k |
0.1 |
| 正弦波 三角波 矩形波 |
1k |
10k |
1 |
ホームページ:
Yamamoto's laboratory著者:
山本昌志
Yamamoto Masashi
平成18年7月3日