論理式があれば、それに応じたMIL記号で表現した論理回路がある。すべて書
くのは大変なので、主加法標準形とカルノー図で求めた論理式をMIL記号の回
路にして、それが元の真理値表と同じであることを確認する。
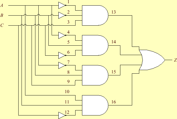
主加法標準形の論理式は、式(1)である。これをMIL記号
で書くと、図3のようになる。この回路の各場所で
の値を表にまとめると、表3のようになる。この表
では、0と1と書いてあるが、実際の回路では0[V]と5[V]である。この回路の出
力を見ると、やはり元の真理値表2と同じである。したがっ
て、主加法標準形から求めた論理回路も元の真理値表と全く同じ動作をする。
表:
主乗法標準形から求めた論理回路を確かめる真理値表。表の最上
段の1〜16の数字は、論理回路図3中の場所を示
す。
 |
 |
 |
1 |
2 |
3 |
4 |
5 |
6 |
7 |
8 |
9 |
10 |
11 |
12 |
13 |
14 |
15 |
16 |
 |
| 0 |
0 |
0 |
1 |
1 |
0 |
1 |
0 |
1 |
1 |
0 |
0 |
0 |
0 |
1 |
0 |
0 |
0 |
0 |
0 |
| 0 |
0 |
1 |
1 |
1 |
1 |
1 |
0 |
0 |
1 |
0 |
1 |
0 |
0 |
0 |
1 |
0 |
0 |
0 |
1 |
| 0 |
1 |
0 |
1 |
0 |
0 |
1 |
1 |
1 |
1 |
1 |
0 |
0 |
1 |
1 |
0 |
1 |
0 |
0 |
1 |
| 0 |
1 |
1 |
1 |
0 |
1 |
1 |
1 |
0 |
1 |
1 |
1 |
0 |
1 |
0 |
0 |
0 |
1 |
0 |
1 |
| 1 |
0 |
0 |
0 |
1 |
0 |
0 |
0 |
1 |
0 |
0 |
0 |
1 |
0 |
1 |
0 |
0 |
0 |
0 |
0 |
| 1 |
0 |
1 |
0 |
1 |
1 |
0 |
0 |
0 |
0 |
0 |
1 |
1 |
0 |
0 |
0 |
0 |
0 |
0 |
0 |
| 1 |
1 |
0 |
0 |
0 |
0 |
0 |
1 |
1 |
0 |
1 |
0 |
1 |
1 |
1 |
0 |
0 |
0 |
1 |
1 |
| 1 |
1 |
1 |
0 |
0 |
1 |
0 |
1 |
0 |
0 |
1 |
1 |
1 |
1 |
0 |
0 |
0 |
0 |
0 |
0 |
カルノー図から求めた論理式は、式(3)である。先ほどと
同じように、これをMIL記号で書くと、図4のように
なる。この回路の各場所での値を表にまとめると、表
のようになる。この回路の出力を見ると、やはり元の真理値表
と同じである。したがって、カルノー図から求めた論理回路も元の
真理値表と全く同じ動作をする。
図:
カルノー図から求めた論理式(3)を表わす論理回路
|
|
表:
カルノー図から求めた論理回路を確かめる真理値表。表の最上段
の1〜6の数字は、論理回路図4中の場所を示す。
 |
 |
 |
1 |
2 |
3 |
4 |
5 |
6 |
 |
| 0 |
0 |
0 |
1 |
0 |
0 |
1 |
0 |
0 |
0 |
| 0 |
0 |
1 |
1 |
1 |
0 |
0 |
1 |
0 |
1 |
| 0 |
1 |
0 |
1 |
0 |
1 |
1 |
0 |
1 |
1 |
| 0 |
1 |
1 |
1 |
1 |
1 |
0 |
1 |
0 |
1 |
| 1 |
0 |
0 |
0 |
0 |
0 |
1 |
0 |
0 |
0 |
| 1 |
0 |
1 |
0 |
1 |
0 |
0 |
0 |
0 |
0 |
| 1 |
1 |
0 |
0 |
0 |
1 |
1 |
0 |
1 |
1 |
| 1 |
1 |
1 |
0 |
1 |
1 |
0 |
0 |
0 |
0 |
ホームページ: Yamamoto's laboratory
著者: 山本昌志
Yamamoto Masashi
平成19年8月20日