論理回路を用いた1桁の加算器には、下からの桁上げを考慮しない半加算器
(Half Adder)とそれを考慮した全加算器(Full Adder)にが有ります。それぞれ
について、学習します。
入力AとBを加算する回路を考えよう。もちろん、それぞれの入力は
の
いずれかです。1桁の2進数の加算回路です。入出力をブラックボックスで書く
と、図1のようになります。入力
と
に対して、出
力が
と
です。
は和を表し英語のSummationから、
は桁上がりを表
しCarry の頭文字です。このように、入出力だけ示して、中身が分からないも
のブラックボックスと言います。この1ビットの加算のブラックボックスの機
能は、
- 加算する各1ビットを入力
と
に入れる。実際の回路では、
と
に対応する端子に5Vを印加3する。
と
の加算結果の1桁目を
から、桁上がりを示す2桁目を
か
ら出力する。実際の回路では、
と
に対応する端子に5Vが出力され
る。
です。これが、2進数の1桁の加算に必要な入出力の全てです。
さて、中身の回路はどうなっているのでしょうか?。それを考えるには、真理
値表を書いてみるのが最も良いでしょう。入出力から、真理値表は表
2のようになります。
表 1:
半加算器の真理値表
 |
 |
 |
 |
| 0 |
0 |
0 |
0 |
| 0 |
1 |
0 |
1 |
| 1 |
0 |
0 |
1 |
| 1 |
1 |
1 |
0 |
残る問題は、この真理値表を実現する回路を設計することだけです。真理値表
から、論理回路を求める方法はいろいろ有りますが、この程度で有れば主加法
標準形に直すのが簡単でしょう。それぞれは、
となります。式(1)の方は排他的論理和(Exclusive OR)と呼ばれ
と書かれることも多いです。排他的論理和については、付録を参照のこと。論
理式ができたので、それを回路に直すだけです。これらを表す論理回路は、図
2や3になります。1桁の半加算器
はこれでおしまい。
図 2:
ORとAND、NOTによる半加算器。式(1)と
(2)の回路
|
|
|
図 3:
XORとANDによる半加算器。式(3)と
(2)の回路
|
|
|
先ほどの半加算器は、入力が演算の対象の
と
だけでしたで、1桁の2ビッ
トの加算しかできません。実際、複数の桁の加算を行う場合、下位からの桁上
がりも考慮する必要があります。この下位からの桁上がりを考慮した回路が全
加算器です。全加算器の入出力をブラックボックスで書くと、図
4のようになります。入力は3個の1桁の2進数なので、ブ
ラックボックスの入力端子は3個になります。一方、出力はその和をあらわし、
その最大は2桁の
となります。従って、出力端子は2個必要になります。
先ほどと同じように、真理値表からこのブラックボックス内部の論理回路を考
えます。演算の対象が2つから3つに変わっただけです。3つの1ビットの和を考
えればよいのです。その加算の演算の真理値表を表
に示します。
表 2:
全加算器の真理値表
 |
 |
 |
 |
 |
| 0 |
0 |
0 |
0 |
0 |
| 0 |
0 |
1 |
0 |
1 |
| 0 |
1 |
0 |
0 |
1 |
| 0 |
1 |
1 |
1 |
0 |
| 1 |
0 |
0 |
0 |
1 |
| 1 |
0 |
1 |
1 |
0 |
| 1 |
1 |
0 |
1 |
0 |
| 1 |
1 |
1 |
1 |
1 |
真理値表ができたので、次はこれから論理式を作ります。標準展開を用いて論
理式を書くこともできますが、ここではカルノー図を使うのが適当でしょう。
この真理値表の出力
と
それぞれのカルノー図は、図
と6のようになります。
これから、論理式を導き出しましょう。論理式は、いろいろな形に展開可能で
すが、半加算器の結果の式(1)や(2)、
(3)に近い形に変形することを考えます。これは後で分かる
ように、全加算器は半加算器とORゲートで可能であることを示すためです。
図 5:
全加算器の和 のカルノー図。
|
|
|
図 6:
全加算器の桁上がり のカルノー図。
|
|
|
最初に述べたように、全加算器は
と
、
の和と桁上がりを計算して
いる回路です。従って、
と
、
には区別は全くありません。従って、
出来上がった論理式は、それらを入れ替えても成り立つ必要があります。この
ようなことを考えながら、式の展開を行うと計算が上手になります。
まず初めに和
の論理式を求めますが、そのとき以下の排他的論理和の否定
の式を使います。
これに注意しながら、カルノー図から求められた主加算標準形の
を以下の
ように変形します。
非常にきれいな式が出来上がりました。
つぎに、
の論理式を作ります。これもカルノー図から、
となります。
以上で全加算器の論理式が完成したわけですが、もうひとひねりしておきます。
それは、半加算器の式(2)と(3)を用いて、全加
算器の式(5)と(6)を書き直します。ちょっと記号
の問題がありますので、半加算器の出力を
と置き換えます。すると、
となります。ここで、最後のひねりとして、
を加えます。
すると
となります。これで準備は完了です。
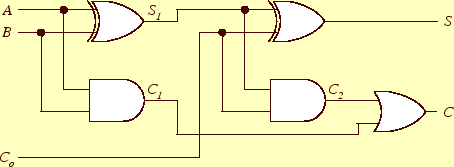
これらの式をゲートで組み立てる前に、最後の式(11)
と(12)から、全加算器は半加算器2個とORゲートでで
きることが分かります。即ち、図7の
通りです。この半加算器とORゲートを使った動作は、全加算器として動作する
ことが直ぐに理解できると思います。
図 7:
2個の半加算器とORゲートで構成される全加算器
|
|
全加算器が半加算器とORゲートで出来ることが分かったので、論理回路も同じ
ことです。やはり半加算器2個と1個のORゲートで出来ます。図
8と9の通りです。それぞれ
の論理回路がどの式と対応しているかは分かりますよね。考えてください。全
加算器はこれで終わり。
図 8:
ORとAND、NOTゲートによる全加算器
|
|
図 9:
XORとAND、ORゲートによる全加算器
|
|
ホームページ: Yamamoto's laboratory
著者: 山本昌志
Yamamoto Masashi
平成19年8月20日